GUC系列礦用本安型位移傳感器
礦用本安型位移傳感器適用于液壓支架、掘進機、掘錨機等煤礦設備,用戶可根據實際安裝結構選用。
【產品介紹】:
GUC系列礦用本安型位移傳感器(以下簡稱傳感器)是磁致伸縮原理的非接觸式絕對位置測量的位移傳感器,適用于有甲烷氣體混合物和煤塵爆炸危險的煤礦井下,滿足各種位移測量、控制的要求。傳感器采用非接觸測量方式,不會因摩擦造成傳感器使用壽命降低;性能穩定可靠,受電源電壓變化的影響??;工作環境溫度寬,在-10℃到60℃范圍內均能正常工作。傳感器優良的性能,良好的環境適應性、可靠性、穩定性,讓用戶更加放心使用。
【系列用途】:
液壓支架、掘進機
【產品特點】:
◆礦用本質安全型產品符合GB3836-2010 MT1109-2011和Q/XKYC 14-2012
要求規定,取得煤安證書,防爆標志為ExibI
◆非接觸式測量,性能穩定可靠,使用壽命長;
◆內置于液壓缸內,線性測量,絕對值輸出;
◆產品材質、電氣性能等完全符合煤礦安全要求,安全性高;
【應用概述】:
礦用本安型位移傳感器適用于液壓支架、掘進機、掘錨機等煤礦設備,用戶可根據實際安裝結構選用。
【產品參數】:
GUC1200(A)
本安參數:Ui:12.5V Ii:15mA Ci:0uF Li:0mH
工作電壓:+12V DC±10%
工作電流:≤15mA DC
輸出信號:DC (0.5~4.5V)±0.02V;負載電阻應: 2KΩ~∞
非線性誤差:<±0.1%F.S.
重復性誤差:<±0.01%F.S.
分辨率:0.17mm或12位D/A轉換(以大者為主)
量程:0~1200mm(用戶可定制);
GUC1200(B)
本安參數:Ui:12.5V Ii:15mA Ci:0uF Li:0mH
工作電壓:+12V DC±10%
工作電流:≤10mA DC
輸出信號:DC (0.5~4.5V);負載電阻應: 2KΩ~∞
非線性誤差:<±0.2%F.S.
重復性誤差:<±0.01%F.S.
分辨率:少于1mm或10位D/A轉換(以大者為主)
量程:0~1200mm(用戶可定制);
GUC1200/2440(C)
本安參數:Ui:12.5V Ii:20mA Ci:0uF Li:0mH
工作電壓:+12V DC±10%
工作電流:≤20mA DC
輸出信號:DC (0~5V);負載電阻應: 2KΩ~∞
非線性誤差:<±0.2%F.S.
重復性誤差:<±0.01%F.S.
分辨率:少于0.34mm或16位D/A轉換(以大者為主)
量程:0~1200mm,0~2440mm(用戶可定制);
【產品規格選型】:
GUC1200(A)、GUC1200(B)、GUC1200/2440(C)(下單時注明量程就可以。)
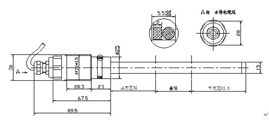
【產品尺寸圖】:
GUC1200(A)

GUC1200(B)

GUC1200/2440(C)

【產品選型】
有需要請聯系客服!
聯系電話
微信掃一掃
